Motory KAVAN PRO jsou vysokovýkonné bezkomutátorové (střídavé, "brushless") čtrnáctipólové elektromotory s rotačním pláštěm ("outrunner") s vynikajícími elektrickými vlastnostmi, propracovanou konstrukcí a špičkovým výrobním zpracováním. Hřídele z tvrzené oceli a kvalitní ložiska zajišťují vysokou životnost, jakostní materiály použité pro zhotovení statoru i rotoru zaručují rovněž výborné výkonové parametry při vysoké účinnosti. Jsou to nízkootáčkové motory s velkým kroutícím momentem zvládající vrtule o velkém průměru i stoupání bez potřeby převodovky.
| Systém označování motorů: PRO xxYY-zzzz | 
| PRO - střídavý motor s rotačním pláštěm ("outrunner", "oběžka") | 
| xx - průměr motoru v mm | 
| YY - délka motoru v mm | 
| zzzz - počet otáček na volt (ot./min na V), „KV“ | 
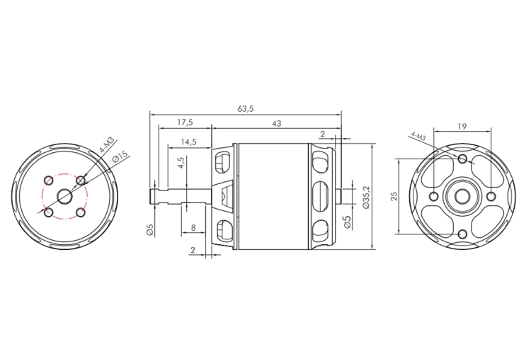
KAVAN PRO 3542-950
KAVAN PRO 3542-950 je střídavý motor učený pro pohon modelů s letovou hmotností do 2400 g s napájením z tří- nebo čtyřčlánkového akumulátoru LiPo. Výborně se hodí pro modely, jako je Classic EP, Acromaster, Stinson EP, Piper Cub EP 1520 mm od Phoenixu apod.
Montáž motoru: KAVAN PRO 3542-950 je konstruován pro přední i zadní montáž. Při přední montáži za čelo motoru použijte čtyři šrouby M3, které zasahují do čela motoru v rozmezí 3,5-4 mm. Motorová přepážka by měla být ze 4-5 mm letecké překližky. Sada pro zadní montáž (upevňovací kříž, unašeč vrtule pro zadní montáž) je dodávána spolu s motorem.
Sada motoru obsahuje: střídavý motor KAVAN PRO 3542-950 s kabely s připájenými 3,5 mm zlacenými konektory, sadu pro zadní montáž. Úplný návod k obsluze motoru si můžete stáhnout zde: Střídavé motory KAVAN PRO - Návod k obsluze
Pozn.: Alternativní označení dle rozměrů statoru 2820-950.
| Napájení LiXX článků | 3 - 4 | 
| Otáčky na volt [ot./min/V] | 950 | 
| Max. výkon (180 s) [W] | 900 | 
| Vnitřní odpor [mOhm] | 28 | 
| Proud naprázdno (při 10 V) [A] | 2 | 
| Max. špičkový proud (180 s) [A] | 65 | 
| Průměr [mm] | 35.2 | 
| Délka [mm] | 41 | 
| Délka celková [mm] | 63.5 | 
| Průměr hřídele [mm] | 5 | 
| Hmotnost [g] | 139 | 
| Počet pólů | 14 | 
| Časování [°] | 20 - 25 | 
| Regulátor [A] | 70 - 80 | 
| Větroň do hmotnosti [g] | 2400 | 
| Trenér do hmotnosti [g] | 2300 | 
| Akrobat do hmotnosti [g] | 2000 | 
| 3D do hmotnosti [g] | 1500 | 
| Doporučená vrtule | 3S: 12x6"-13x6.5" | 
| 4S: 11x5.5"-11x8" | |
