Čtyřdobé motory KAVAN představují vynikající volbu pro rekreační sportovní, akrobatické modely a makety letadel. Vyznačují se spolehlivým chodem a velmi snadným nastavováním; jsou to v tom nejlepším smyslu slova „spotřební“ motory, které si může dovolit pořídit a provozovat každý příznivec hlubokého „bafání“ čtyřtaktů. A pokud jim budete věnovat přiměřenou péči, budou vaše modely spolehlivě pohánět po dlouhé roky.
KAVAN FS-30AR je čtyřdobý motor s ventilovým rozvodem konstruovaný pro modely letadel všeho druhu, zvláště vhodný je pro RC makety. Je osazen dvoujehlovým RC karburátorem; v základní sestavě je dodáván rovněž expanzní tlumič výfuku.
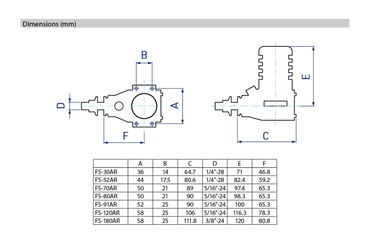
Kliková hřídel má závit pro matici vrtule UNF 1/4-28.
Doporučené rozměry vrtulí:
Záběh: 9×6"
Sport: 9×6"
Maketa: 10,5×6", 11×5"
Doporučená palivová nádrž: 100–170 ml.
Doporučené palivo: KAVAN 4T Air 5 % nitro pro záběh a běžný provoz, po záběhu můžete používat i KAVAN 4T Air 10 % nitro nebo 15 % nitro. Paliva s ricínovým olejem by měla obsahovat nejméně 18 % ricínového oleje (popř. směsi syntetického a ricínového oleje) a 5–15 % nitromethanu. (Ačkoliv čtyřtakty KAVAN mohou dobře fungovat i na nenitrované „FAI“ palivo, doporučujeme používat palivo s aspoň malým obsahem nitromethanu – chod motoru je poté opravdu vysoce spolehlivý a nastavení karburátoru je snadnější a méně citlivé na změny teploty a jiné vlivy okolního prostředí.)
Doporučená svíčka: KAVAN GP-1, O.S. MAX typ F, KAVAN Premium No.4T.
Sada motoru obsahuje: motor s RC karburátorem, expanzní tlumič s přechodkou, návod.
| Zdvihový objem [ccm] | 5 |
| Počet válců | 1 |
| Vrtání [mm] | 19.7 |
| Zdvih [mm] | 16.4 |
| Provozní otáčky [ot./min] | 2500 - 10000 |
| Výkon motoru (9500RPM) [W] | 400 |
| Hmotnost [g] | 275 |
| Doporučený objem nádrže [ml] | 100 - 180 |
| Závit matice vrtule | 1/4 UNF |