Motory KAVAN C jsou výkonné bezkomutátorové (střídavé, "brushless") čtrnáctipólové elektromotory s rotačním pláštěm ("outrunner") s výbornými elektrickými vlastnostmi, propracovanou konstrukcí a výborným výrobním zpracováním. Představují velmi dobrou volbu pro pohon vašich rekreačně-sportovních modelů s výbornými výkonovými parametry, dobrou účinností a příznivou cenou. Jsou to nízkootáčkové motory s velkým točivým momentem zvládající vrtule o velkém průměru i stoupání bez potřeby převodovky.
| Systém označování motorů: CxxYY-zzzz |
| C - střídavý motor s rotačním pláštěm ("outrunner", "oběžka") |
| xx - průměr motoru v mm |
| YY - délka motoru v mm |
| zzzz - počet otáček na volt (ot./min na V), „KV“ |
KAVAN C2826-1000 je miniaturní střídavý motor učený pro pohon malých modelů s letovou hmotností do 450 g s napájením z dvoučlánkového nebo tříčlánkového akumulátoru Li-poly. S jeho pomocí můžete úspěšně "elektrifikovat" např. velké gumáčky ze stavebnic Guillow's nebo Dumas s rozpětím cca 800-1200 mm, výborný je i pro RC park-flyery Dumas.
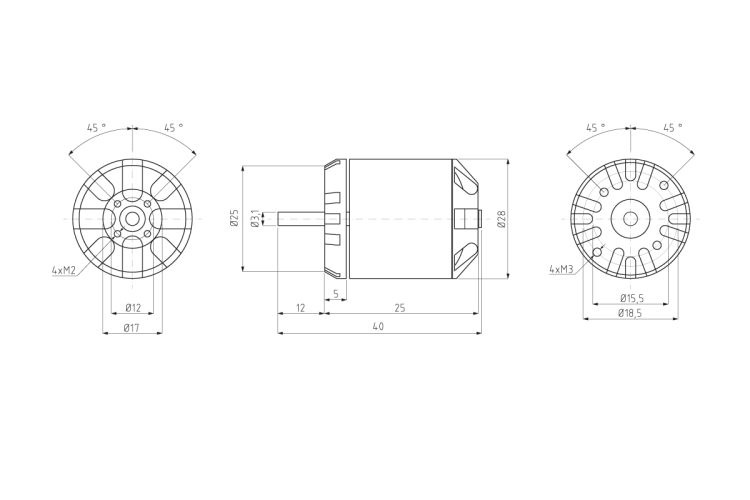
Montáž motoru: C2826-1000 je konstruován pro přední i zadní montáž. Při přední montáži za čelo motoru použijte nejméně dva (protilehlé), nebo čtyři šrouby M3, které zasahují do čela motoru v rozmezí 3 - 4 mm. Páry otvorů pro upevňovací šrouby v čele motoru jsou rozmístěny pravidelně o 180°na kružnicích o průměru 16 a 19 mm. Motorová přepážka by měla být z 2 mm letecké překližky. Sada pro zadní montáž (upevňovací kříž, unašeč vrtule pro zadní motáž) je dodávána spolu s motorem.
Sada motoru obsahuje: motor C2826-1000 s kabely s připájenými 3,5 mm zlacenými konektory, sadu pro zadní montáž, návod.
| Napájení LiXX článků | 2 - 3 |
| Otáčky na volt [ot./min/V] | 1000 |
| Max. výkon (30 s/3S LiPo) [W] | 110 |
| Proud naprázdno (2S) [mA] | 400 |
| Max. špičkový proud (30 s) [A] | 13 |
| Průměr [mm] | 27.8 |
| Délka [mm] | 27 |
| Průměr hřídele [mm] | 3.175 |
| Hmotnost [g] | 50 |
| Počet pólů | 14 |
| Časování [°] | 15 - 25 |
| Regulátor [A] | 15 - 20 |
| Větroň do hmotnosti [g] | 450 |
| Trenér do hmotnosti [g] | 450 |
| Akrobat do hmotnosti [g] | 400 |
| 3D do hmotnosti [g] | 330 |
| Doporučená vrtule | 2S: 10x5” |
| 3S: 9x5” | |